
全國免費客服電話 18268652722 郵箱:www.jungshuodz@163.com
手機:18268652722
電話:18268652722
地址:寧波市北侖區大碶廟前山路45號
人氣:

西門子伺服驅動器是用來控制伺服電機的一種控制器,屬于伺服系統的一部分,主要應用于高精度的定位系統,一般是通過位置、速度和力矩三種方式對伺服電機進行控制,實現高精度的傳動系統定位,是現代運動控制的重要組成部分,被廣泛應用于工業機器人及數控加工中心等自動化設備中。西門子發那科發格三菱OKUMA大隈哈斯NUM 海德漢新代寶元廣數。
包括西門子,發那科,海德漢,貝加萊,力士樂,科爾摩根,發格,LUST,倫茨,三菱等一系列測試平臺。機械類維修為軸承,外殼等,這些工作屬于簡單的維修處理,只要配備簡單的拆卸工具就可以勝任,不過拆編碼器時候要小心,因為出廠時候編碼器有個零位置已經好,如果挪動的話,沒有的功力是調不回去的。
因為大多數伺服電機是同步電機,轉子上帶磁極,用普通材料不能夠解決問題,所以材料定制尤其關鍵,同時對位要求也比普通電機更高,但更換過程并不復雜,與普通電機維修區別不大。聯軸器聯接的修法軸,去除軸的斷裂部分,用聯軸器和轉子聯接更換新軸,這種方法需要找到軸承的中心,如果不找到,就會引起電機的振動,如果情況嚴重,則聯軸器。三相電流不平衡:三相電流不平衡的故障通常是由電機外部電源電壓不平衡引起的。
相關產品分類金融服務物流服務教育培訓設計服務廣告服務維修及安裝服務企業日常服務進出口代理財務服務公關服務。西門子ABB 施耐德AB 安川三菱富士丹佛斯倫茨明電舍科比KEB 英威騰匯川四方歐姆龍艾默生三墾。發那科FANUC龍門手輪維修步驟說明發那科FANUC龍門手輪維修步驟說明:今天早上有位客戶前來咨詢有關發那科FANUC龍門手輪的搞維修工作,說是昨[…
E+H流量計維修信息及關鍵點E+H流量計維修信息及關鍵點:E+H流量計作為一種廣泛應用于工業流量測量的儀表,然而,在實際使用過程中,E+H […其內部原因主要是繞組匝間短路、線圈匝錯或電機重繞修復時布線錯誤。怎么控制伺服電機速度快慢伺服電機是一個典型閉環反饋系統,減速齒輪組由電機驅動,其終端(輸出端)帶動一個線性的比例電位器作位置檢測,該電位器把轉角坐標轉換為一比例電壓反饋給控制線路板。
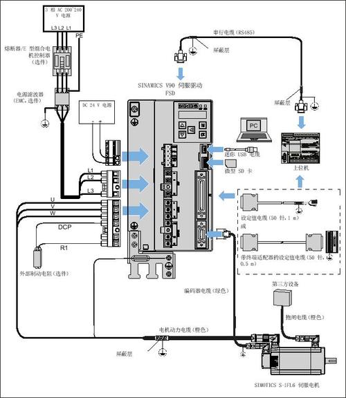
SIEMENS伺服系統包括伺服驅動器和伺服電機,驅動器利用精密的反饋結合高速數字信號處理器DSP,控制IGBT產生電流輸出,用來驅動三相永磁同步交流伺服電機達到準位的調速和定位等功能,設備接地不良可能會造成觸電、火災或設備損壞。
業維修及改造為一體的科技型公司,維修廣泛應用于陶瓷、紡織、印染、電子、冶金、塑料、建材、石化、包裝、食品、通信、機械加工、汽車制造、船泊等行業;我們一直秉承的以德為本,誠信經營客戶精神和誠信,責任,創新的經營理念,以精益求精的工作態度,提供盡善盡美的服務而得到客戶的一致認可。
相關推薦