
全國免費客服電話 18268652722 郵箱:www.jungshuodz@163.com
手機:18268652722
電話:18268652722
地址:寧波市北侖區大碶廟前山路45號
人氣:


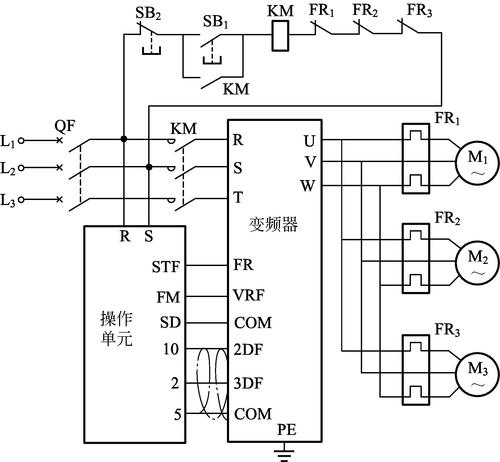
煙氣經空氣預熱器-靜電除塵器后進入引風機,送至脫硫系統或直接排入煙囪。根據窯爐風機系統控制要求,采用北孚sDFS通用變頻器,實現系統的全自動溫度控制。在實驗室的調試過程中,新型排風機組的變頻調試也至關重要。調試的好壞將直接影響實驗室的安全、節能、穩定。
實驗室是一個動態且高風險的環境。尤其是通風柜表面風速和送排風控制系統的穩定運行,對實驗室的安全起著重要作用。因此,試運行期間整個實驗室的調試必須保證整個系統安全穩定運行。一次風機:以中速磨煤機和直吹制粉系統為例)一次風機提供一次風,從風機中分出兩路。其中一條路徑經過空氣預熱器,稱為熱一次空氣。另一條路徑不經過空氣預熱器。謂之冷風。
測量末端排風設備的排風量或面風速(通常滿足末端通風柜的面風速0.5m/s,并保證變風量閥的管道壓力在其壓力范圍內)獨立的壓力范圍)。冷一次風和熱一次風在磨煤機入口處混合,起到調節磨煤機進/出口溫度的作用,也是磨煤機通風輸出的一部分。此時,測量并記錄此時風道的靜壓值,并將該值設置為新風靜壓控制器的整定值。
河北某磚廠對4臺30kw窯爐風機進行變頻改造后,經過一段時間的運行,記錄數據證明改造效果顯著:將變頻器切換至自動模式,調整末端排風設備,觀察風扇和管道的頻率變化。靜壓值是否同步調整。密封風機為給煤機和磨煤機提供密封空氣。磨煤機的密封空氣分為磨輥、磨碗、加載彈簧等部分。
風扇:檢查風扇接線是否正確,并用兆歐表檢查各相絕緣電阻。同時檢查風機、電機型號、規格是否與設計相符;檢查傳動皮帶輪的松緊是否合適。用手轉動皮帶時,檢查葉輪是否有卡阻現象;檢查風機出口處的柔性短管是否緊固。稀釋風機:以前的機組基本沒有這個,因為這個風機是用于機組脫硝的,為脫硝系統提供空氣來稀釋氨。
發電機組正常運行時不允許打開旁路,否則未經脫硫的煙氣將不符合環保標準。只有脫硫系統發生事故時才允許開啟)增壓風機出來的風進入脫硫系統,對煙氣進行脫硫。排放入煙囪。由于風機的機械特性是平方扭矩特性,即風量與轉速成正比,功率與轉速的三次方成正比。如果系統風機采用變頻控制,通過溫度傳感器的檢測,并PID控制來調節風機轉速進而調節風量,將會有非常顯著的節能效果,并能有效提高產品質量和工作效率。
風機啟動時,用鉗形電流表測量電機的啟動電流,待風機正常運轉后再測量電機的運行電流。若終端設備排風量或迎風風速不滿足設計要求或實際使用需要,繼續采用25Hz50Hz之間的中間值插值法,將變頻器調整至37Hz,繼續測量排風量末端排風設備的風量。或者迎面風速是否滿足設計要求或實際使用需要。
相關推薦